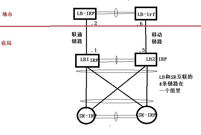
下行链路LB
省局配置:
nqa
template icmp icmp-shengju
reaction trigger per-probe
vpn-instance
shengju
loadbalance
link-group lg-shengju
transparent enable
probe
icmp-shengju
success-criteria at-least 1
loadbalance link link-shengju-lt
router
ip 10.42.14.10
link-group
lg-shengju
probe
icmp-shengju
vpn-instance
shengju
loadbalance link link-shengju-yd
router
ip 10.42.14.66
link-group
lg-shengju
probe
icmp-shengju
vpn-instance
shengju
virtual-server vs-shengju type link-ip
vpn-instance
shengju
virtual ip address 0.0.0.0 0
default
link-group lg-shengju
connection-sync enable
sticky-sync enable
bandwidth busy-protection enable
bandwidth interface statistics enable
service enable

(0)
最佳答案
亲~登录后才可以操作哦!
确定你的邮箱还未认证,请认证邮箱或绑定手机后进行当前操作
举报
×
侵犯我的权益
×
侵犯了我企业的权益
×
抄袭了我的内容
×
原文链接或出处
诽谤我
×
对根叔社区有害的内容
×
不规范转载
×
举报说明
请问有配置指导吗?谢谢了