问题:实验设备通过连接到交换机端口后(无论交换机是否上电),交换机通过端口从设备吸电流,即交换机成为了受电设备,且功耗较大致实验设备网络芯片DJLXT971ALE功耗增大。
结构: 主机(单台)<->交换机<->实验设备(单台)
用途:用于主机与实验设备的数据交互,目前未连接多台使用
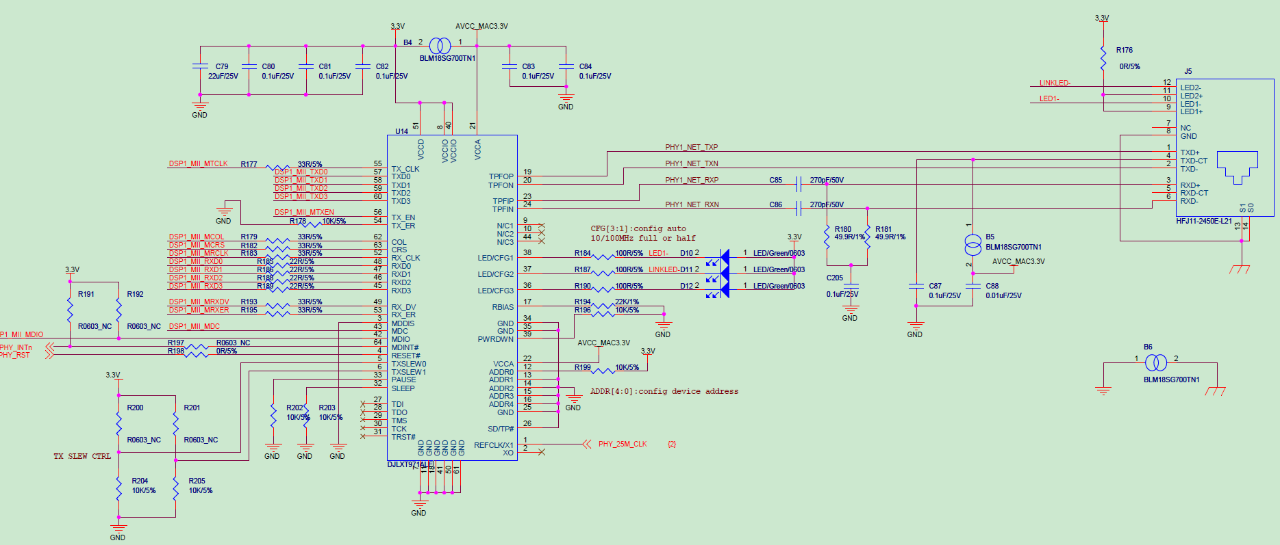
设备网络部分原理图如下:

困扰许久,希望解答,谢谢~
设备IP信息如下:
char *HostName = "tidsp";
char *LocalIPAddr = "172.16.13.70";
char *LocalIPMask = "255.255.255.0";
char *GatewayIP = "172.16.13.71";
char *DomainName = "***.***";
char *DNSServer = "0.0.0.0";
设备网络部分原理图见问题描述。
(0)
这得找电子信息的工程师论坛吧…这边应该大部分都是搞通信的
(0)
好的,感谢~
好的,感谢~
亲~登录后才可以操作哦!
确定你的邮箱还未认证,请认证邮箱或绑定手机后进行当前操作
举报
×
侵犯我的权益
×
侵犯了我企业的权益
×
抄袭了我的内容
×
原文链接或出处
诽谤我
×
对根叔社区有害的内容
×
不规范转载
×
举报说明
这个故障确实有点诡异^_^